معلومات فنية لصمام الملف اللولبي CSV
البيانات الفنية |
أقصى ضغط العمل | شريط UV |
أقصى تدفق lubrikant | 15 000 سم مكعب/دقيقة |
الوصف | صمام ، NC (مغلق عادة) أو لا (عادة) صمام مفتوح) ، صمام ، أو صمام NC أو لا |
فولتية التشغيل الاسمية | 24 فولت تيار مستمر ، من التيار المتردد ، من التيار المتردد ، 50/60 هرتز |
اتحاد أنابيب مدخل ومخرج | G1/4 "، G1/2" ، G3/8 "، G3/4" |
مزلق | زيت ، الشحوم ماكس. 1.3 |
الرسم الفني لصمام الملف اللولبي CSV
فاتحة 、 S 、 Z:

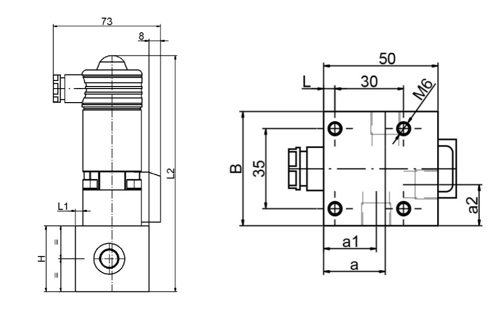
الأبعاد (مم)
رباط:

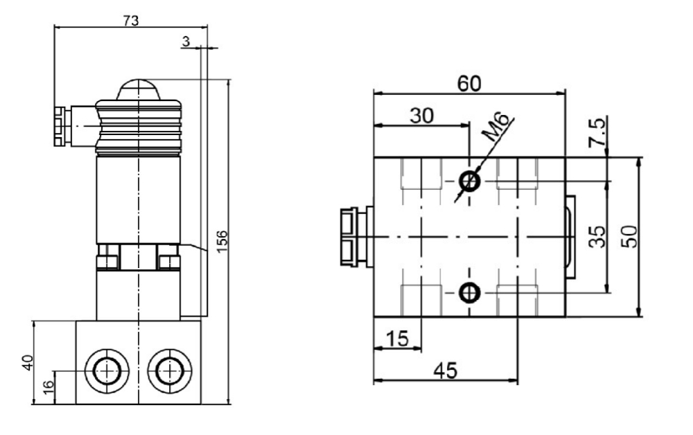
الأبعاد (مم)
رباط:

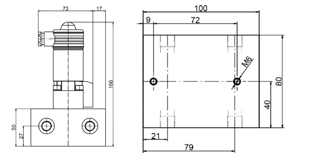
الأبعاد (مم)
مبدأ تشغيل صمام الملف اللولبي CSV
صمام الملف اللولبي هو صمام يكون عنصر التحكم فيه عبارة عن مغناطيس كهربائي يتحرك عبر الملف عند تغيير الإشارة الكهربائية للصمام إلى الوضع المفتوح أو المغلق ، التي يتم فتحها أو إغلاقها بواسطة تدفق وسط العمل من خلال الصمام في التشحيم والدوائر الهيدروليكية.
صمام الملف اللولبي هو صمام ، يكون عنصر التحكم فيه عبارة عن مغناطيس كهربائي ، والذي يتحرك عن طريق الملف عند تغيير الإشارة الكهربائية ، الصمام إلى الموضع المفتوح أو المغلق ، من خلال الصمام في دوائر التشحيم أو الهيدروليكية.
قد يكون الصمام في الموضع الأساسي (بدون إشارة كهربائية) مفتوح (لا) أو مغلق (NC).