مضخة تزييت بشفة العجلة Aoop
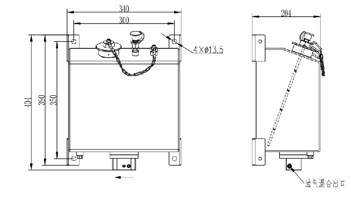
تعمل المضخة عن طريق قياس مواد التشحيم المتجانسة ، مع ضبط الحجم مسبقًا في وحدة المضخة. باستخدام الهواء المضغوط كوسيط نقل ، فإنه يسلم زيوت التشحيم من خلال موزعي التدفق إلى فوهات الرش ، حيث يتم تطبيقها بالتساوي على شفة العجلة. يتطلب النظام خطًا واحدًا فقط لنقل كل من زيوت التشحيم والهواء المضغوط.
عندما تكون ظروف التدفق في خطوط المخرج متشابهة ، ينقسم خليط زيوت الهواء بالتساوي داخل موزع التدفق. يتكون النظام الكامل من خزان ومضخة مكبس وموزعي تدفق وفوهات رش مطابقة. يتم دمج جميع المكونات المتحركة في وحدة التشحيم ، مما يسهل الوصول والاستبدال بسهولة. نظرًا لعدم احتواء موزعي التدفق أو فوهات الرش على أجزاء متحركة ، يتم تقليل وقت الصيانة والتكاليف بشكل كبير.
CN
EN
ru
fr
de
es
pt
ar
hi
id
tr
it
pl
nl

