كتلة موزع زيت VSD
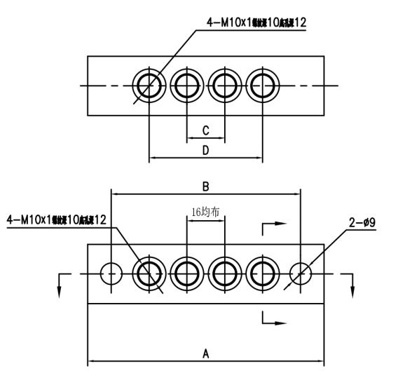
تقوم كتل متعددة توزيع الزيت VSD بتوزيع الشحوم أو الزيت بدقة من مضخة التزييت إلى كل نقطة تزييت وفقًا لنسبة محددة مسبقًا ، مما يضمن تزييت موحد وموثوق به لجميع المكونات المتحركة. يتميز بتصميم مدمج وتركيب سهل ، ويمكن إرفاقه بمضخات تزييت يدوية أو كهربائية حسب الحاجة. يدعم النظام أيضًا تركيبات الدفع ، وتركيبات الضغط ، وغيرها من الملحقات ، مما يسمح بتخطيط مرن وفعال لخط أنابيب التشحيم مناسب لتكوينات المعدات المختلفة.
CN
EN
ru
fr
de
es
pt
ar
hi
id
tr
it
pl
nl



